

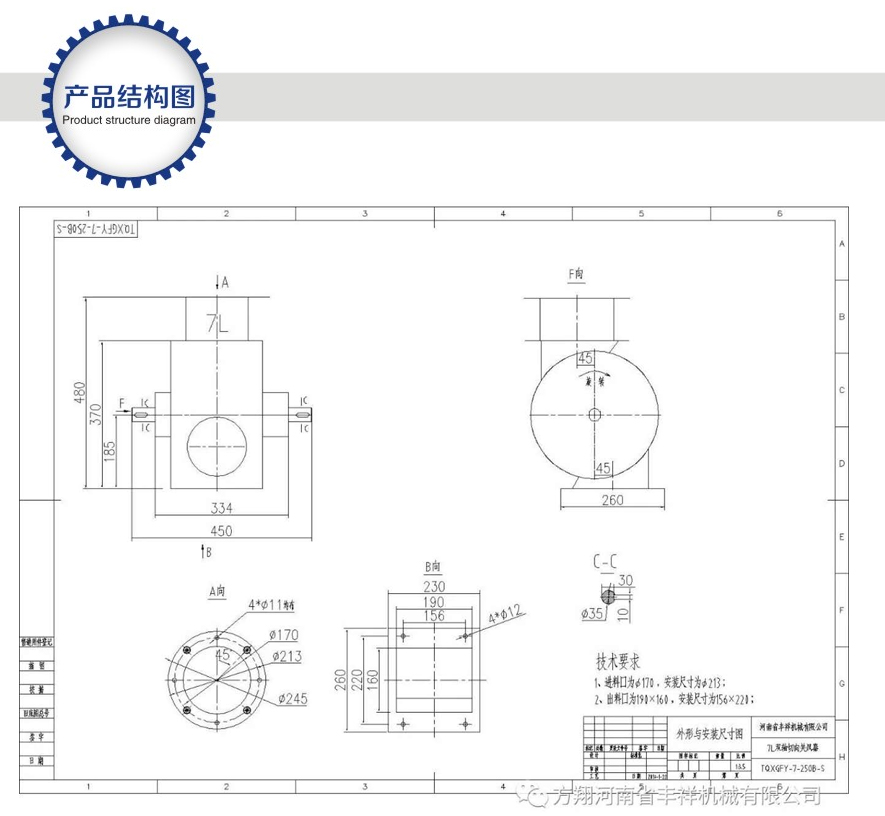
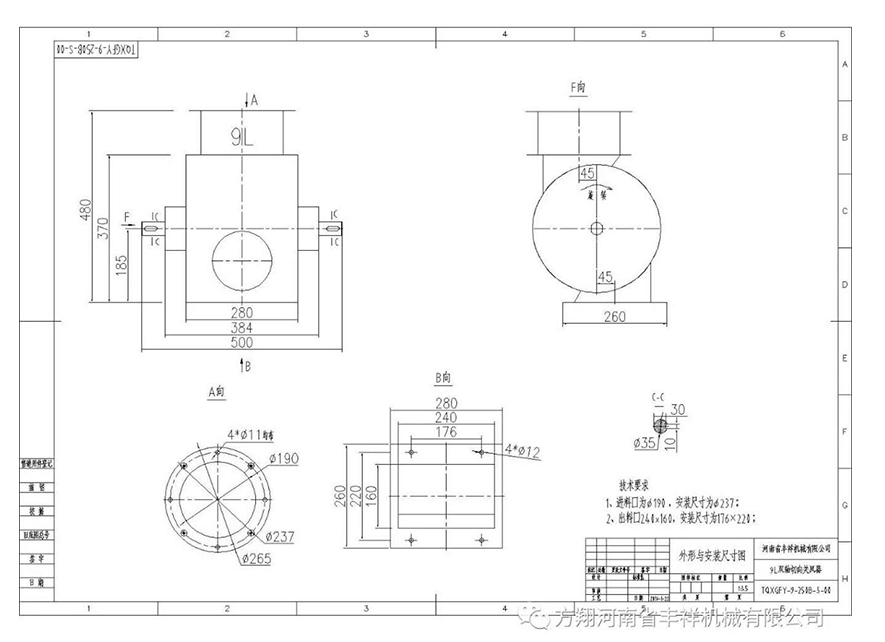
■可有效防止物料被剪切,尤其對處理顆粒狀、片狀、球狀(<5mm)物料時優(yōu)勢突出;
■可有效避免物料夾在旋轉(zhuǎn)的葉輪與殼體之間,防卡效果優(yōu);
■物料切向進(jìn)切向出結(jié)構(gòu)原理,大大降低物料對關(guān)風(fēng)器的磨損,提高關(guān)風(fēng)器使用壽命;
■進(jìn)出口側(cè)雙觀察孔,可適時對關(guān)風(fēng)器進(jìn)出料情況進(jìn)行觀察,對關(guān)風(fēng)器轉(zhuǎn)速適時微調(diào), 使物料在關(guān)風(fēng)器流暢下料處于***佳狀態(tài);
■降低進(jìn)料時,物料對葉輪軸的沖擊,提高關(guān)風(fēng)器運轉(zhuǎn)時的整體穩(wěn)定性,使關(guān)風(fēng)器運 轉(zhuǎn)更平穩(wěn)。

